1 / 5
Many manufacturers have started leveraging AI and human-robot collaboration. Collaborative robots (cobots) reduce manufacturing costs, boost production efficiency, and enhance employees' skills. They deliver better service quality and improve the customer experience. With standardized functions and low deployment costs, cobots have become widespread in industry and commercial scenarios such as household chores, room cleaning, and cooking.
The core components of our robots are all independently developed, featuring stability and high performance. Our x series robots have the world's first ATEX explosion-proof certificate (EU standard).






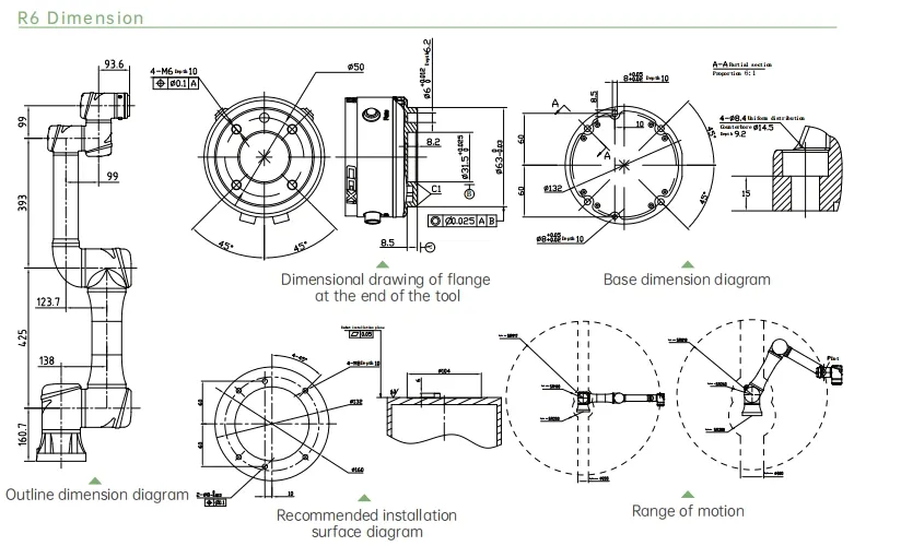
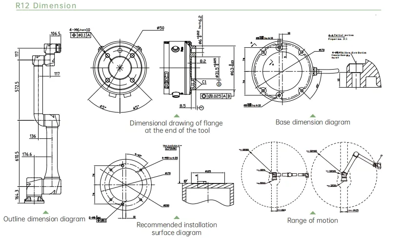
| Robot Arm Mode | R3 | R6 | R12 |
|---|---|---|---|
| Payload (kg) | 3 | 6 | 12 |
| Working Radius (mm) | 620 | 917 | 1300 |
| Repeatability (mm) | ± 0.02 | ± 0.02 | ± 0.03 |
| Protection Grade | IP65 | IP54 | IP65 |
| Weight (kg) | 15 | 21 | 36 |






Our products are approved with CE, CR, EMC, IATF16949, NRTL, PCEC, and ATEX Explosion-proof certification.